
常州市常群干燥設備有限公司
廠址: 常州市鄭陸鎮焦溪工業開發區
郵編: 213116
電話: 0519-88910067 0519-88900994
傳真: 0519-88900994
聯系人: 王才平
手機: 13861055230
網址:http://www.dg-cw.com
郵箱: cq@cqdry.com
產品介紹
該產品可對膏狀、顆粒狀、粉狀、漿狀物料間接加熱或冷卻,可完成干燥、冷卻、加熱、滅菌、反應、低溫燃燒等單元操作。設備中特殊的楔型攪拌傳熱漿葉具有較高的傳熱效率和傳熱面自清潔功能。
工作原理
空心軸上密集排列著楔型中空漿葉,熱介質經空心軸流經漿葉。單位有效容積內傳熱面積很大,熱介質溫度從-40℃到320℃,可以是水蒸汽,也可以是液體型:如熱水、導熱油等。間接傳導加熱,沒有攜帶空氣帶走熱量,熱量均用來加熱物料。熱量損失僅為通過器體保溫層向環境的散熱。楔型漿葉傳熱面具有自清潔功能。物料顆粒與楔型面的相對運動產生洗刷作用,能夠洗刷掉楔型面上附著物料,使運轉中一直保持著清潔的傳熱面。漿葉干燥機的殼體為Ω型,殼體內一般安排二到四根空心攪拌軸。殼體有密封端蓋與上蓋,防止物料粉塵外泄而充分發揮作用。
傳熱介質通過旋轉接頭,流經殼體夾套及空心攪拌軸,空心攪拌軸依據熱介質的類型而具有不同的內部結構,以保證傳熱效果。

性能特點
◎漿葉干燥機能耗低: 由于間接加熱,沒有大量攜帶空氣帶走熱量,干燥器外壁又設置保溫層,對漿狀物料,蒸發1kg水僅需1.2kg水蒸汽。
◎漿葉干燥機系統造價低: 單位有效容積內擁有巨大的傳熱面,就縮短了處理時間,設備尺寸變小。就極大地減少了建筑面積及建筑空間。
◎處理物料范圍廣: 使用不同熱介質,既可處理熱敏性物料,又可處理需高溫處理的物料。常用介質有:水蒸汽、導熱油、熱水、冷卻水等。既可連續操作也可間歇操作,可在很多領域應用。
◎環境污染小: 不使用攜帶空氣,粉塵物料夾帶很少。物料溶劑蒸發量很小,便于處理。對有污染的物料或需回收溶劑的工況,可采用閉路循環。
◎操作費用低:磨損量小,維修費用很低。
◎操作穩定:由于楔型漿葉特殊的壓縮--膨脹攪拌作用,使物料顆粒充分與傳熱面接觸,在軸向區間內,物料的溫度、濕度、混合度梯度很小,從而保證了工藝的穩定性。
適應物料
漿葉干燥機已成功地用于食品、化工、石化、染料、工業污泥等領域。設備傳熱、冷卻、攪拌的特性使之可以完成以下單元操作:燃燒(低溫)、冷卻、干燥(溶劑回收)加熱(融化)、反應和滅菌。攪拌漿葉同時又是傳熱面,使單位有效容積內傳熱面積增大,縮短了處理時間。楔型漿葉傳熱面又具有自清潔功能。壓縮--膨脹攪拌功能使物料混和均勻。物料沿軸向成"活塞流"運動,在軸向區間內,物料的溫度、濕度、混合度梯度很小。用導熱油做熱介質漿葉干燥機可完成低溫燃燒工作。如:二水硫酸鈣(Ca2SO4·2H2O) 燃燒轉化為半水硫酸鈣(Ca2SO4·1/22H2O)。碳酸氫鈉(NaHCO3)經煅燒轉化為純堿(Na2HCO3)等。通入冷卻介質,如水、冷卻鹽水等即可用來冷卻。如:使用于純堿行業的漿葉式涼堿機,取代老式的空氣冷卻涼堿機,節省了能源及尾氣處理設備,降低了操作費用。干燥,設備最主要的功能,不使用熱空氣,使溶劑回收、能源消耗、環境控制處于易處理的理想狀態。對需回收溶劑、易燃易氧化熱敏性物料尤為適應。已廣泛用于精細化工、石化、染料行業。軸向區間內,溫度、濕度、混合度的均勻性,使得設備可用來加熱或融化,或進行一些固體物料反應。在復合肥及變性淀粉行業均已成功使用。漿葉干燥機可用來對食物和面粉進行滅菌處理。單位有效容積內大的加熱面積,很快就將物料加熱到滅菌溫度,避免了長時間加熱而改變物料品質。
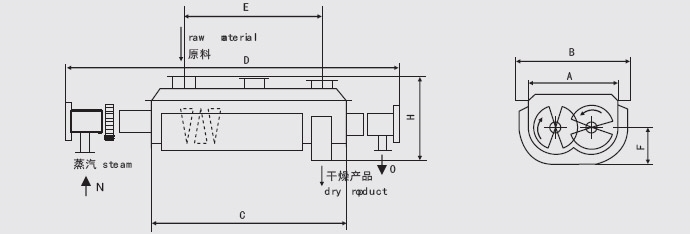
安裝結構示意圖


我們公司專業生產JYS空心槳葉式干燥機 污泥烘干處理設備,歡迎來電咨詢設備參數、價格等詳細資料,電話0519-88910067,13921018017。
具體案例:JYS污泥專用槳葉干燥機,JYS空心槳葉式干燥機